Mẫu thiết kế nhà cấp 4 mái bằng 2 phòng ngủ 7x10m tại Hải Dương NDNC4186
Để tìm được một mẫu nhà cấp 4 mái thái hay mái Nhật trên website thietkethicongnhadep.net không khó nhưng khi bắt gặp mẫu thiết kế nhà cấp 4 mái bằng 2 phòng ngủ 7x10m như mẫu này của một ngôi nhà cấp 4 ở Hải Dương, quả là hiếm. Có lẽ các kiến trúc sư cũng không thích xây nhà cấp 4 mái bằng vì để làm được một mẫu nhà đẹp khá khó so với những mẫu nhà cấp 4 mái thái, mái thái. Vì vậy hôm nay chúng tôi rất vui khi được chia sẻ đến các bạn thêm một mẫu nhà cấp 4 mái bằng nữa. Đây là một trong những mẫu nhà cấp 4 được thiết kế theo phong cách đơn giản, hiện đại. Với diện tích 7x10m và được thiết kế 2 phòng ngủ. Mời các bạn cùng chúng tôi xem qua mẫu thiết kế này.
Xây dựng mẫu thiết kế nhà cấp 4 2 phòng ngủ 7x10m đang trở thành trào lưu, xu hướng thiết kế nhà ở năm 2021 và cũng là một trong những lựa chọn hàng đầu của những gia đình muốn sở hữu một không gian sống. thông thoáng, trong lành, mát mẻ và gắn bó chắc chắn với cảnh quan thiên nhiên. Đặc biệt là những gia đình có điều kiện kinh tế trung bình và có khoảng 2-3 thế hệ chung sống. Đó cũng là mẫu nhà cấp 4 mái thái được gia đình anh Hiền ở Hải Dương đánh giá cao. Mời các bạn cùng theo dõi bài viết dưới đây để biết thêm thông tin chi tiết về mẫu nhà hoành tráng này nhé.
Thông tin mẫu thiết kế nhà cấp 4 mái bằng 2 phòng ngủ 7x10m
Công ty Xây Dựng Nhà Đẹp xin giới thiệu đến quý khách hàng thông tin công trình cùng với đơn giá xây dựng dự kiến cho ngôi nhà này. Vì đây là mẫu nhà cấp 4 mái bằng nên sẽ không có thêm phần diềm mái sang hai bên nên sẽ không tính diện tích xây dựng. Do đó giá thành xây dựng cũng sẽ rẻ hơn so với những mẫu nhà cấp 4 mái thái hay mái ngói. Mời các bạn cùng đọc và đánh giá.
- Địa điểm xây dựng: Hải Dương
- Chủ đầu tư: Anh Hiền
- Diện tích nhà và sảnh: 80m2
- Kích thước nhà: 7x10m
- Tổng giá trị hoàn thiện: 80 × 5.500.000 = 440.000.000 đồng
Phối cảnh 3D mẫu thiết kế nhà cấp 4 mái bằng 2 phòng ngủ 7x10m đẹp hiện đại

Màu sắc chủ đạo trong mẫu thiết kế nhà ống cấp 4 2 tầng 2 phòng ngủ là màu trắng kết hợp với màu đen huyền bí của khung. Sự kết hợp độc đáo giữa 2 gam màu tương phản khiến không gian ngoại thất trở nên hài hòa, kết nối chắc chắn và vô cùng đẹp mắt. Màu trắng cũng là màu độc đáo, bền và dễ kết hợp với nhiều màu sắc khác nhau mang đến sự độc đáo và thu hút ánh nhìn của người nhìn. Gam màu trắng ngày nay được sử dụng rất phổ biến, xuyên suốt và dễ dàng trong nhiều mẫu thiết kế nhà cấp 4 mái bằng 2 phòng ngủ 7x10m từ phong cách hiện đại đến tân cổ điển, cổ điển. Có thể nói gam màu trắng là một trong những gam màu dễ gần nhưng cũng mang đến vẻ đẹp lộng lẫy, ấn tượng, độc đáo và dịu dàng, sang trọng bậc nhất.

Ngoài việc sử dụng gạch và màu sơn để trang trí, ngoại thất của mẫu thiết kế nhà cấp 4 2 phòng ngủ 2 phòng ngủ còn gây ấn tượng mạnh bởi hệ thống cửa kính khung nhôm hiện đại. Cửa kính có tác dụng lớn trong việc lấy nắng, hút gió tự nhiên tốt, giúp không gian bên trong luôn được cung cấp đầy đủ ánh sáng, trở nên mát mẻ và thông thoáng một cách tối ưu nhất, xua tan đi sự ngột ngạt ngột ngạt không đáng có như xưa. , những ngôi nhà cấp 4 lạc hậu mang lại. Chất liệu kính được sử dụng trong mẫu thiết kế nhà cấp 4 2 phòng ngủ 7x10m quả thực là một giải pháp hiệu quả hoàn chỉnh và chuẩn mực.

Phần chân đế của mẫu thiết kế nhà cấp 4 mái thái 2 phòng ngủ 7x10m được sử dụng các loại ngói đẹp và bền nhất. Gạch có tác dụng rất tốt trong việc giúp giữ cho khu vực nền luôn sạch sẽ, sáng bóng và bảo vệ khu vực chân tường vững chắc trước những tác động xấu của thời tiết khắc nghiệt. Một số mảng tường ở khu vực mặt tiền cũng được sử dụng gạch để trang trí tăng thêm sự khác biệt, độc đáo, tạo điểm nhấn cuốn hút, chinh phục hoàn toàn cảm giác muốn khám phá của gia chủ. chủ đầu tư và những người đi ngang qua không gian ngoại thất đẹp mê hồn.

Đây là mặt tiền của mẫu nhà cấp 4 chúng tôi nhìn kỹ hơn để các bạn có thể thấy rõ hơn chi tiết của mẫu thiết kế nhà cấp 4 7x10m 2 phòng ngủ mái bằng này. Toàn bộ vật liệu sử dụng cho mẫu nhà cấp 4 này đều là vật liệu cao cấp trên thị trường hiện nay. Vì vậy, chi phí xây dựng sẽ cao hơn một chút so với những mẫu nhà cấp 4 ở nông thôn thông thường.

Phần mái bằng trong mẫu thiết kế nhà cấp 4 mái bằng 2 phòng ngủ 7x10m vẫn đảm bảo được sự hoàn chỉnh và tinh tế trong phong cách thiết kế. Thông thường, trong các mẫu nhà cấp 4 hiện đại, hệ mái bằng khá phổ biến và được nhiều gia đình chủ đầu tư yêu thích và lựa chọn. Bởi mái bằng có rất nhiều ưu điểm hữu ích như độ bền cao, khả năng chịu tải, chống cháy tốt, thời gian hoàn thành sớm mà chi phí xây dựng lại vô cùng rẻ, rất phù hợp với hầu hết các gia đình trên địa bàn. khu vực nông thôn ngày nay. Với kiến trúc mái bằng, chúng ta phải ngỡ ngàng trước vẻ đẹp hài hòa mà nó mang lại thể hiện được sự mạnh mẽ, ấn tượng và khỏe khoắn trong từng chi tiết, đường nét trang trí kiến trúc.
Phối cảnh mẫu thiết kế nhà cấp 4 mái bằng đẹp - Phương án 2
Để ra được hình ảnh cuối cùng của mẫu thiết kế, nhà đẹp đã phải lên một phương án khác và đây là phương án đầu tiên. Chúng tôi cũng sẽ chia sẻ thêm với bạn để bạn tham khảo và cảm nhận xem hai lựa chọn này khác nhau ở điểm nào. Nếu để đánh giá cái đẹp thì không có một tiêu chuẩn nào để đánh giá, đẹp hay không là ở mỗi người, mỗi người nhìn nhận khác nhau. Thông thường, đại đa số mọi người cho rằng xinh đẹp sẽ được coi là xinh đẹp. Mời các bạn tham khảo những hình ảnh thiết kế nhà cấp 4 mái bằng 2 phòng ngủ 7x10m






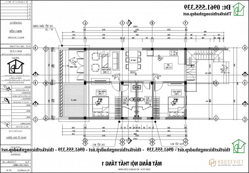
Mặt bằng công năng của mẫu thiết kế nhà cấp 4 mái bằng

Từ không gian sảnh chính của mẫu thiết kế nhà cấp 4 mái thái 2 phòng ngủ 7x10m bước vào đầu tiên là phòng khách vuông vắn, thoáng mát. Tiếp đến là phòng bếp + ăn bên trong được bố trí dọc theo chiều dài của ngôi nhà. Hai không gian này không sử dụng tường để phân chia từng không gian mang đến sự liên kết hài hòa với nhau tạo nên sự thông thoáng, ấn tượng và độc đáo. Cùng với đó là diện tích 1 phòng ngủ thường và 1 phòng ngủ master đủ diện tích sử dụng nhưng vẫn đảm bảo nhu cầu nghỉ ngơi, thư giãn của các thành viên. Phòng vệ sinh chung được bố trí ở giữa 2 phòng ngủ tạo sự thoải mái và thuận tiện cho sinh hoạt cá nhân.
Như vậy, với những chi tiết nêu trên cùng với những hình ảnh phối cảnh 3D, mặt bằng công năng và tiện ích, quý vị và các bạn có thể thấy được tính thẩm mỹ và sự độc đáo của mô hình. Mẫu thiết kế nhà cấp 4 2 phòng ngủ 2PN 7x10m này mang lại. Qua đó nếu bạn thấy hay và có nhu cầu thiết kế, thi công hãy liên hệ ngay với công ty chúng tôi để được tư vấn miễn phí.
- Nhà cấp 4 có sân vườn Nhà khung thép tiền chế 12x10m ở Hòa Lạc NDNC4187
- Nhà cấp 4 mái bằng 3 phòng ngủ 7x15m NDNC4188